東莞市潺林電子有限公司公司是專業的電子元器件提供商,一直專注于國際一流品牌的元器件銷售服務及技術支持
歐姆龍新品G3VM-□MT MOS FET繼電器模塊介紹:
1、具備T開關功能,實現fA級的較小漏電流,有助于達到與以往的干簧繼電器同等的測量性能;
2、接點構成:1a+T開關功能;
3、采用小型封裝,有助于節省印刷電路板上的封裝空間。

具體產品種類如下:
|
形狀 |
接點構成 |
端子種類 |
負載電壓 |
包裝形式/卷切 |
包裝形式/帶狀包裝 |
||||
|
主機 |
輔機 |
型號 |
最小包裝單位 |
型號 |
最小包裝單位 |
||||
|
|
(個) |
(個) |
|||||||
|
模塊 |
1a |
表面安裝端子 |
20V |
200mA |
G3VM-21MT |
1 |
G3VM-21MT(TR01) |
100 |
|
|
60V |
800mA |
400mA |
G3VM-61MT |
G3VM-61MT(TR01) |
|||||
|
100V |
550mA |
G3VM-101MT |
G3VM-101MT(TR01) |
||||||
1、帶狀包裝(表面安裝端子型)的訂貨請在型號末尾加上(TR01)。以卷切品購入的產品因無防濕包裝,請在封裝時采用手工焊接。
2、還備有每卷500個的產品(500個/卷)。
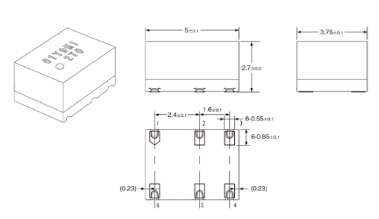
外形尺寸如下:標記內容與實際產品有所不同。
注意事項:
安全要點:
1、請勿在產品的輸入電路、輸出電路上外加過電壓、過電流。否則可能會導致產品故障及起火。
2、接線及焊接請按照焊接條件進行正確操作。
若在焊接作業未完成的狀態下使用產品,則會因通電時的異常發熱導致燒損
保存條件
為實現系統要求的信賴度,降額措施必不可少。
為充分放心地使用產品,除了對最大額定值和推薦動作條件采取降額措施外,條件允許時還請在根據使用環境條件確認實際設備的基礎上,進行留有充足余量的設計。
1、請保在不會有水淋到、無陽光直接照射的場所。
2、搬運和保存時,請按照包裝箱上的注意事項進行處理。
3、請保存在常溫、常濕、常壓的場所。
此外,溫度和濕度請以5~35℃、相對濕度請以45~75%為大致標準。
4、請保存在硫化氫等腐蝕性氣體及含鹽氣流不會觸及產品,及用肉眼判斷無塵埃、鐵屑的場所。
5、請保存在溫差較小的場所。保存時溫度的劇烈變化會導致結露、導線的氧化與腐蝕等,并引起焊錫熔析性的劣化。
6、將產品從包裝中取出后再次保存時,請使用經過防帶電處理的存放容器。
7、無論何種場合,請勿對產品施加會導致變形、變質的力。
8、本公司產品的保證期限為產品購買后或交付到指定場所后的 1年之內。
通常存放一年以上時,建議在使用前先確認錫焊性。
我們專業主營歐姆龍開關、繼電器、傳感器、連接器等電子元器件產品,作為十多年豐富元器件經驗團隊,我們將一如既往竭誠為您提供一流的服務,若有需要技術支持或需求,請隨時與我們聯系!